Тема: Вимірювання потужності споживача електроенергії.
Мета: навчитися вимірювати потужність електричного струму, використовуючи амперметр і вольтметр.
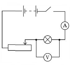
Обладнання: джерело струму; вольтметр; амперметр; ключ; лампочка на підставці; реостат; з’єднувальні проводи; два резистори.

Підготовка до експерименту
На цоколі лампи вказано номінальні значення: напруга $U_{ном} = 3,5$ В та сила струму $I_{ном} = 0,26$ А.
Таблиця результатів
| Номер досліду | Напруга, В | Сила струму, А | Потужність струму, Вт | |||
|---|---|---|---|---|---|---|
| $U_{ном}$ | $U_{\text{ф}}$ | $I_{ном}$ | $I_{\text{ф}}$ | $P_{ном}$ | $P_{\text{ф}}$ | |
| 1 | 3,5 | 2,5 | 0,26 | 0,21 | 0,91 | 0,525 |
| 2 | 3,5 | 3,5 | 0,26 | 0,26 | 0,91 | 0,91 |
Опрацювання результатів експерименту
1. Обчислення фактичної потужності за формулою ($P_{\text{ф}} = U_{\text{ф}} \cdot I_{\text{ф}}$):
- Дослід 1: $P_1 = 2,5 \text{ В} \cdot 0,21 \text{ А} = 0,525 \text{ Вт}$.
- Дослід 2: $P_2 = 3,5 \text{ В} \cdot 0,26 \text{ А} = 0,91 \text{ Вт}$.
2. Обчислення номінальної потужності за формулою ($P_{ном} = U_{ном} \cdot I_{ном}$):
- $P_{ном} = 3,5 \text{ В} \cdot 0,26 \text{ А} = 0,91 \text{ Вт}$.
Аналіз експерименту та його результатів
1) Яку фізичну величину вимірювали та якими приладами?
Ми вимірювали потужність електричного струму в лампі розжарювання. Для цього використовували вольтметр (для вимірювання напруги) та амперметр (для вимірювання сили струму).
2) Який результат отримали?
У першому досліді при середньому положенні реостата фактична потужність склала 0,525 Вт. У другому досліді, коли напруга була близькою до номінальної, потужність склала 0,91 Вт.
3) Чи збігаються значення фактичної та номінальної потужності?
У першому досліді значення різняться ($P_{\text{ф}} < P_{ном}$), оскільки через опір реостата напруга на лампі була нижчою за номінальну. У другому досліді при встановленні номінальної напруги показники збіглися.
4) Які чинники могли вплинути на точність?
На точність результатів вплинули похибки вимірювальних приладів, можливі помилки при знятті показників зі шкал та нагрівання провідників під час роботи кола.
Творче завдання
Запишіть план проведення експерименту, за допомогою якого можна довести, що за однакової напруги потужність струму на ділянці кола, що складається з двох паралельно з’єднаних резисторів, є значно більшою, ніж на ділянці кола, що складається з двох резисторів, з’єднаних послідовно. Проведіть експеримент.
План проведення експерименту:
- Зібрати електричне коло з джерела, ключа, амперметра та двох резисторів, з’єднаних послідовно. Підключити вольтметр паралельно до цієї ділянки.
- Замкнути коло, виміряти загальну напругу $U$ та силу струму $I_{пос}$. Обчислити потужність $P_{пос} = U \cdot I_{пос}$.
- Зібрати коло з тими самими деталями, але з’єднати резистори паралельно.
- Встановити таку саму напругу $U$, як у першому кроці. Виміряти загальну силу струму $I_{пар}$.
- Розрахувати потужність $P_{пар} = U \cdot I_{пар}$ та порівняти її з результатом для послідовного з’єднання.
Теоретичне обґрунтування:
При паралельному з’єднанні загальний опір ділянки менший ($R/2$), ніж при послідовному ($2R$). Оскільки потужність визначається за формулою $P = U^2 / R$, то при незмінній напрузі менший опір забезпечує більшу потужність. Експеримент підтвердить, що ділянка з паралельним з’єднанням споживає більше енергії.